
Детален опис на производот
| Предност: | Голема брзина | Брзина на обележување: | 60-200 парчиња / мин |
|---|---|---|---|
| Функција: | Ахезивно обележување налепници | Материјал: | Не'рѓосувачки челик |
| Тип шише: | Тегла со етикета за кружни шишиња | Апликација: | За сите видови тркалезен контејнер |
| Бренд на ПЛЦ: | MITSUBISHI (Јапонија | Серво мотор за етикетирање: | ДЕЛТА (Тајван |
машина за етикетирање на црвено вино машина за етикетирање на стаклени вински шишиња, систем за контрола на PLC, машина за обележување на брендот MITSUBISHI
Карактеристики:
1. Ракување: Системот за контрола на PLC ја прави машината за етикетирање лесна за ракување
2. Материјал: Главното тело на машината за етикетирање е изработено од нерѓосувачки челик SUS304
3. Конфигурација: Нашите машини за етикетирање прифаќаат добро познати делови од брендот Јапонија, Германија, Америка, Кореја или Тајван
4. Флексибилност: Клиентот може да избере да додаде печатач и машина за кодови; може да избере да се поврзе со транспортер или не.
Технички параметри:
| Име | Автоматско тркалезно шише за вино за машина за обележување шишиња со кружни шишиња со ракави |
| Брзина на обележување | 60-350 парчиња / мин |
| Висина на објектот | 30-350мм |
| Дебелина на објектот | 20-120мм |
| Висина на етикетата | 5-180мм |
| Должина на етикетата | 25-300мм |
| Етикета ролери внатре дијаметар | 76мм |
| Надворешен дијаметар на ролери за етикети | 420мм |
| Точност на обележување | ± 1мм |
| Напојување | 220V 50 / 60HZ 3.5KW |
| Потрошувачка на гас на печатач | 5 кг / м2 (ако додадете машина за кодирање) |
| Големина на машината за етикетирање | 2800 (Д) 50 1650 (Ш) × 1500 (В) мм |
| Тежина на машината за етикетирање | 180 кг |
Конфигурација
| Не | Дел | бренд | квантитет |
| 1 | PLC | MITSUBISHI (Јапонија) | 1 |
| 2 | Главен конвертор | DANFOSS (Данска) | 1 |
| 4 | ХМИ | ВИНВИВИ (Тајван) | 1 |
| 5 | Серво мотор за етикетирање | ДЕЛТА (Тајван) | 1 |
| 6 | Серво етикетирање на возачот на моторот | ДЕЛТА (Тајван) | 1 |
| 7 | Транспортни мотори | HY (Тајван) | 1 |
| 8 | Менувач на подвижни мотори | HY (Тајван) | 1 |
| 9 | Поделување на моторот на шишето | GPG (Тајван) | 1 |
| 10 | Поделувачки менувач на шишиња за мотори | GPG (Тајван) | 1 |
| 11 | Шише што го одделува регулаторот за брзина на моторот | GPG (Тајван) | 1 |
| 12 | Зборуваше мотор | GPG (Тајван) | 1 |
| 13 | Зборуваше моторен менувач | GPG (Тајван) | 1 |
| 14 | објект открие магично око | ОМРОН (Јапонија) | 1 |
| 15 | оптички влакна | ОМРОН (Јапонија) | 1 |
Детали за машината:

32 главни делови за машини за обележување

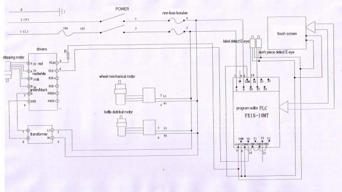
Дијаграм на коло

Најчесто поставувани прашања:
1. етикетата добива меурчиња
Причини:
① не е добра / не е рамна;
Board плуг за плуг не е добра / не е рамна;
Output излезот за етикетирање е пребрз или брзината на склопување е премала;
④ етикетата е премногу повлечена
Решенија:
① сменете рамен кора од табла;
② сменете рамна табла за плуг;
③ забавете ја излезната брзина на обележувањето или зголемете ја брзината на склопувачката линија;
④ правилно да влијаете на етикетниот ремен.
Таг: индустриска машина за етикетирање, машина за обележување на стаклени шишиња









